wg.net.pl
tag-img

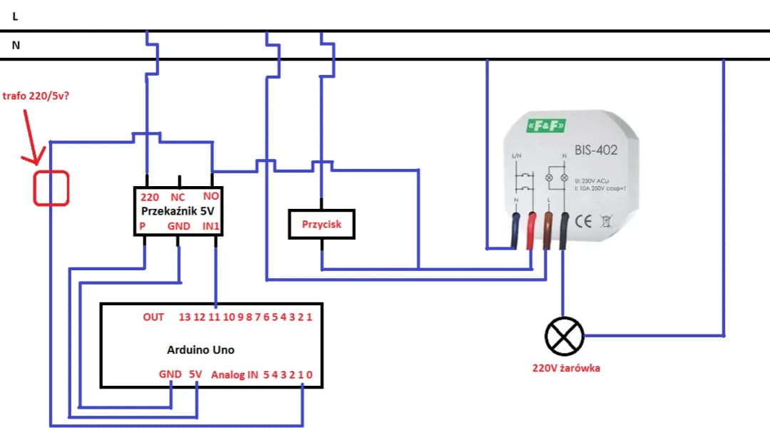
Tag przekaźnik bistabilny programowanie arduino

1 / 1